En este post queremos explicarte qué puedes hacer con las entradas digitales y analógicas de los routers de Teltonika y también cómo controlar las salidas digitales y de relé.
¿Cuántas entradas y salidas y de qué tipo tiene mi router?
Los modelos RUT230 y RUT240 disponen de una entrada y una salida digital en el mismo conector Molex de 4 vías de la alimentación. Si quieres usar estas señales tendrás que hacerte un cable especial ya que en el cable del alimentador de alterna no están disponibles estos contactos. Si quieres alimentar el router a 12Vdc o 24Vdc ya disponemos en DAVANTEL de este cable, puedes comprarlo en nuestra tienda online.

La entrada digital en estos routers tiene un rango de entrada de 0-3V, donde el rango 0 – 1,2V corresponde al estado lógico ‘0’ y la tensión 1,8 – 3V corresponde al estado lógico ‘1’
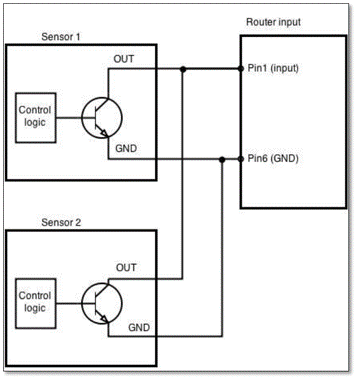
En la siguiente figura os presentamos un esquema de cómo conectar una salida ‘sourcing’ de un PLC a la entrada digital ‘sinking’ del RUT2XX a través de un optoacoplador.

La salida digital en los modelos RUT2XX es del tipo OC (Open Collector) y no del tipo relé. Por tanto, si queremos usarla para activar un relé de salida hacia otro equipo deberemos conectarlo y polarizarlo de acuerdo con el esquema siguiente.

El router RUT955 dispone, además de la entrada y salida digital, de las siguientes:
una entrada digital optoaislada con rango de entrada 0-30V (0-4V valor lógico ‘0’ y 9-30V valor lógico ‘1’
una entrada analógica que admite tensiones entre 0 y 24V
una salida mediante relé que soporta 24V 4A
En la siguiente captura te mostramos todas las entradas y salidas y su ubicación en el conector de bornas del RUT955.

¿ Qué puedo hacer con las entradas ?
Podemos configurar nuestro router con un conjunto de reglas y asociarlas a cada una de las entradas del equipo. Para cada regla deberemos definir:
sobre qué entrada actúa la regla (digital, digital optoaislada o analógica)
el ‘trigger’ o desencadenante de la regla: (open/shorted/both) para entradas digitales o rangos de tensión/corriente dentro/fuera para la entrada analógica
la acción que llevaremos a cabo cuando se produzca el ‘trigger’ en la entrada. Las acciones posibles son: enviar un SMS, cambiar de SIM, enviar un email, cambiar el perfil de configuración, activar o desactivar el WiFi, resetear el equipo, activar una salida o enviar un mensaje HHTP POST/GET

En la siguiente imagen podemos ver un ejemplo donde conectamos la tensión de un batería de 12V a nuestra entrada analógica. En este caso creamos una regla que nos permite enviar un SMS cuando la tensión de la batería baja por debajo de 9V, es decir, está en el rango 0-9V. Como podéis comprobar, en el SMS podemos incluir mediante macros información del propio router, por ejemplo, para identificar el equipo que nos ha enviado la alarma si tener que tener identificado el número de teléfono de la tarjeta SIM. También podemos definir uno o varios números de teléfono a los que enviar el SMS.

Por último también podemos configurar en el apartado SNMP que el router nos envíe un trap cuando haya un cambio en las entradas y salidas. Para ello crearemos reglas similares configurando también el ‘trigger’ para la activación, desactivación o ambos cambios.

¿ Qué puedo hacer con las salidas ?
Lo primero que debemos configurar es el estado de las salidas al encender el router. Este parámetro podemos definirlo en la pestaña Output Configuration. Este estado puede servirnos, por ejemplo, para notificar a un PLC conectado a esta salida que nuestro router está encendido. En los modelos RUT2XX también puedes crear etiquetas para las salidas y sus estados de abierto y cerrado para mayor claridad en SMS y emails.

En la pestaña ON/OFF podemos actuar manualmente sobre el estado de las salidas pinchando en el botón correspondiente

En la pestaña Post/Get Configuration podemos definir un usuario y password como protección de seguridad para poder enviar desde cualquier navegador comandos POST para activar o desactivar la salida o comandos GET para obtener el valor de dichas salidas. Puedes ver el formato de los comandos en la wiki de Teltonika.
En la pestaña Periodic Control podemos crear reglas para activar o desactivar las salidas de modo temporizado indicando día de la semana, hora, duración del cambio de estado (o indefinido) e intervalo de repetición periódica. A continuación os mostramos un ejemplo de regla

Finalmente en la pestaña Output Scheduler podemos configurar de forma gráfica franjas horarias en las que activar las salidas. A diferencia del punto anterior, sólo podemos definir franjas de horas completas donde la salida estará activa. Para hacerlo debemos pinchar primero sobre el cuadrado inferior de la salida a configurar y luego ir pinchando sobre la rejilla hasta acabar nuestra franja horaria. En el menú desplegable superior podemos configurar qué franjas horarias queremos ver en función de la salida.

Los ejemplos anteriores están basados en el router RUT955. Los menús de los modelos RUT230 y RUT240 pueden variar al tener menos entradas y salidas aunque las funcionalidades básicas son las mismas.
Si te ha parecido interesante todo lo que puedes hacer con los routers de Teltonika recuerda que puedes comprarlos al mejor precio en nuestra tienda online donde también podrás comprar todos los accesorios (kits para carril DIN, antenas magnéticas y cables de alimentación).
